The BEHRINGER DCX2496 Power Supply

Pubblicato: 5 ottobre 2010 in Elettronica
Tag:, , , ,

The DCX2496 electronic crossover has become quite popular in the DIY world and people started using it also in HI-FI setups due to its versatility. However like many Pro gear it has some weaknesses that should be addressed in order to get out a better sound quality from it. The worst components used in Behringer equipment are the electrolytic capacitors (followed by OP-AMPs); in addition to the DCX2496 I own also a SRC2496 a DSP2024 and an EP2000 power amplifier and all of them use caps named XUNDA … which I never heard of till the day I opened a Behringer unit Smile.

Because one of the most important part of a HI-FI unit is the power supply I started making some changes in that of the DCX, which is also a switch-mode unit with all its pros and cons, with the second consisting typically in the residual of the switching frequency.

The unit, also used in the DEQ2406 and probably others, provide the following voltages:

  • +3.3V for many digital components, but not for the ADCs and the DACs
  • +5V which its main task it to supply the CS8420; this voltage is very important because Behringer decided to provide a unique supply for both the digital and the analog part of the receiver, accurately following the CS8420 specs for this approach… and the analog supply of the CS8420 has a direct relation to jitter when using the Digital input of the unit. this leg is also used as an input for the circuitry which creates the 3.3V for the digital supply of the ADCs and DACs.
  • +8.7V which is used as a source for a couple of 7815 to crate the +5V for all the analog parts of the ADCs and DACs, and this plays an important role in the analog performance of the whole unit. One of the +5Va legs is used also as a reference voltage to create the 3.3V for the digital supply of the ADCs and DACs through a transistor.
  • +-15V to supply the OP-AMPs

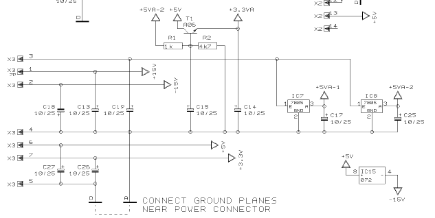
Here is the schema of the supply components just after the power connector on the DSP board (Fig. 1)

image

The +3.3VA despite the name is used to to supply the VD pins of the ADCs and DACs

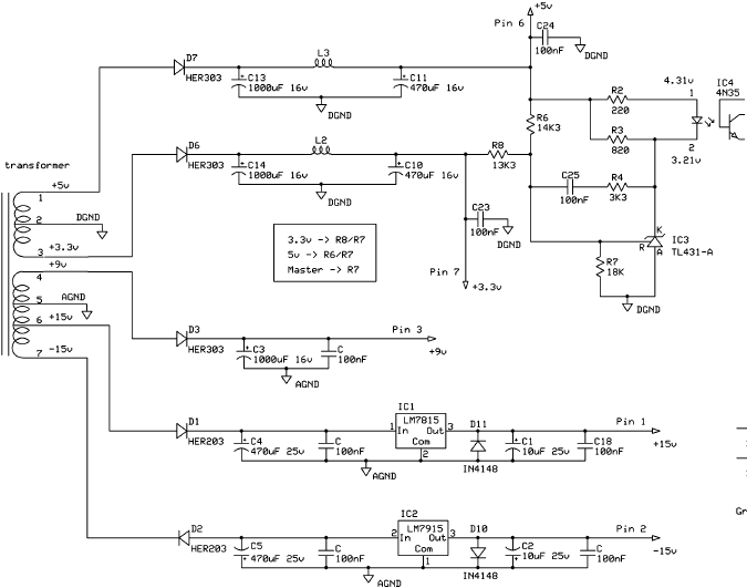
Starting from this schema (Fig. 2)

image

I replaced all the electrolytic capacitors with Panasonic FM:

  • the +3.3V line now has a 2220uF (C13) before L2 and a 1200uF after (C11)
  • the +5V line has C14 and C10 replaced with 1200uF
  • the +9V line has C3 replaced with 2200uF
  • the +-15V line has 820uF for C4 and C5 and 47uF for C1 and C2

Here is a snapshot of the replacement (Fig. 3)

IMG_0087

Then I took some photo of the supply voltages at 10mV per vertical division, with the first run at 5mS horizontal division and the second at 10uS horizontal division

3.3V – 10mV/Div – 5ms (Fig. 4)

IMG_0087

5V – 10mV/Div – 5ms (Fig. 5)

IMG_0088

8.7V – 10mV/Div – 5ms (Fig. 6)

IMG_0089

15V – 10mV/Div – 5ms (Fig. 7)

IMG_0090

3.3V – 10mV/Div – 10uS (Fig. 8)

IMG_0091

5V – 10mV/Div – 10uS (Fig. 9)

IMG_0092

8.7V – 10mV/Div – 10uS (Fig. 10)

IMG_0093

+-15V – 10mV/Div – 10uS (Fig. 11)

IMG_0094

The 3.3, 5 and 8.7 have a ripple of about 15mV peak to peak, but it is not clear to me where the 200Hz frequency (5ms period = 200Hz) comes from … The +-15V seems very clear with few mV ripple (Fig. 7 ), but with a strange “shadow” surrounding it; this comes clear at 10uS resolution, where we can really see over imposed spikes with 8uS period, which translates into 125KHz frequency.

The +-15V is the worst, with more than 30mV spikes over the fundamental, and the 8.7V showing a little more than 20mV of the same spikes. The 3.3V and the 5V remain within 10mV; it is a good result considering that the 5V goes directly to the VA pin of the CS8420 and has a direct impact on jitter.

I didn’t take any photo, but I can confirm that the scope traces with the stock capacitors were remarkably worse than the above, in both the 5ms and 10uS scope resolution; the immediate result of this mod has been a reduction in the annoying hiss You can clearly ear when the DCX is connected to the amps. In addition to this for sure also the complete recap of the DSP board with OS-CONs around the ADCs, DACs, and CS8240 played an important role.

Fig. 12

IMG_0088

Fig. 13

IMG_0089

The OS-CONs near the DACs are for VREF and VCOM while those near the ADCs are for VREF; on the bottom side of the board there are Panasonic 10uF directly soldered on the 100nF bypass for VD and VA of the DACs and ADCs, and on the 100nF which bypass the two VCOM( of each ADC.

As You can see in Fig. 12 there are also two resistors and a capacitor in place, and create a RC filter on the 8.7V line, an action I took after having thought to a way to improve that supply, which has probably the most direct impact on the whole analog performance of the unit (together with the OP-APMs); it is the most simple to implement and provide very good results.

2Ohm + 1800uF cause a reduction from 8.7V to 8.2 and provide the below scope traces, which are a big step forward compared to Fig. 6 and Fig. 10.

8.2V – 10mV/Div – 5mS

IMG_0095

8.2V – 10mV/Div – 10uS

IMG_0096

With all this changes the output trace still show the 8us period spikes, which are for sure a direct result of the bad appearance of the +-15V line.

Output – 10mV/div – 10uS

IMG_0098

My next step will be try to optimize the +-15V line and then make a comparison with the Awdiy “Power Supply” module… Stay tuned!

commenti
  1. Avatar di Carlos Silva Carlos Silva ha detto:

    Dear Mauro.
    I have read very carfully your mods on dcx2496.
    i woud like to try your mods on my dcx2496.
    But the rc filter with 1800 mf and tro resistors 20 Ohm is not very explicit on fig 12.
    can you tell me more abou it? Where to connect the resistors.
    thank you very much.

    • Avatar di maurmun maurmun ha detto:

      Hello and sorry for the huge delay, I was very busy in this months.
      the RC filter is built with a 2ohm resistor, not 20ohm; I simply cut the 8,7V line and put the 2ohm resistor in place, then I plugged the 1800uf cpacitor directly on the connector on Pin 3(+) and Pin 4(-).
      I used 2 x 1ohm because i didn’t have at that moment the a 2.2ohm resistors; basically You should put the resistor in series with the 8.7v line before it enters the power connector on the DSP board.
      Let me know,
      Mauro

  2. Avatar di Simon Simon ha detto:

    Hey!
    Do you have the primary section schematic of the dcx2496?
    I have a problem with the power supply.Thanks
    Simon

    simondolanbass@gmail.com

  3. Avatar di seo marketing seo marketing ha detto:

    Vielen Dank im Voraus und viel Glück, maurmun.wordpress.com! 🙂

  4. Avatar di escort Emirates escort Emirates ha detto:

    Good day! This post couldn’t be written any better! Reading this post reminds me of my good old room mate! He always kept chatting about this. I will forward this write-up to him. Fairly certain he will have a good read. Many thanks for sharing it on maurmun.wordpress.com !

  5. Avatar di Carlos Silva Carlos Silva ha detto:

    O.K. Mauro.
    You have done all this mods on dcx2496.
    And about the sound?
    What do you feel about it?
    Carlos

    • Avatar di maurmun maurmun ha detto:

      Hello Carlos, In addition to the replacement of the power supply capacitors and all the capacitors on the dsp board i did also the following: – removed the mute transistor on each output – removed the capacitor between the first and second stage after the dac (you can see this on another post – changed the first opamp after the DAC with National Instruments LME series

      If you Plan to use the analog input you can Plan to change the 47uf cap between the first and second stage at the input. I also increased the input sensibility by 6Db and reduced the output of the same (for a max of 2,3v rms each polarity)

      With this changes the dcx: – is deadly silent ,also without a pot on the output like i used before – has better dynamics – has better sound quality, and the highs are far less harsh

      Keep in mind that the power supply/capacitor mia count for at least 30% of the perceived improvement

      Mauro ________________________________

  6. Avatar di Carlos Silva Carlos Silva ha detto:

    Hi Mauro
    What do you mean by removing the transistor on each output?
    Thanks.

  7. Avatar di Carlos Silva Carlos Silva ha detto:

    Dear Mauro
    I have done all the mods that you sugested, except about the transistor.
    The PSU is exactly like you did, Panasonic FM and the rc filter with 2.2 ohm and 2200 Mf.
    The input bord has now black gates, the output bord has 47 mf cerafines.
    Main board caps was replaced by panasonic fine gold 10 mf .
    The sound is very clear and more dynamic, the silence is like you say (deadly silent).
    It looks like the aparatus is not connected, is so good and so silent that you forget the crossover exist.
    My ONKEN ORIS horns sound fantastic.
    Thank you very much Mauro
    Carlos.

Lascia un commento